易造新聞
浪涌保護器怎么安裝-點擊查看節省2小時安裝時間-易造防雷
浪涌保護器(SPD),是一種為各種設備、通訊線路提供安全防護的電子器件。當雷電產生時可能會對用電設備和電纜造成極大的傷害,嚴重的時候會造成火災事故,所以浪涌保護器的安裝是防雷工程重要的環節,那么,怎么安裝浪涌保護器才能做到有效防護呢。
浪涌保護器怎么安裝?在GB 50343中6.5標準說明:
一、電源線路浪涌保護器的安裝應符合下列規定:
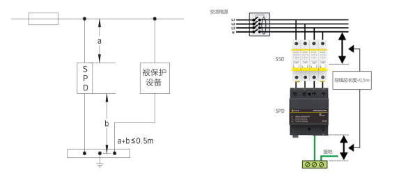
1、電源線路的各級浪涌保護器應分別安裝在線路進入建筑物的入口、防雷區的界面和靠近被保護設備處,各級浪涌保護器連接導線應短直,其長度不應超過0.5m,并固定牢靠。浪涌保護器各接線端應在本級開關、熔斷器的下樁頭分別與配電箱內線路的同名端相線連接,浪涌保護器的接地端應以最短距離與所處防雷區的等電位接地端子板連接。配電箱的保護接地線(PE)應與等電位接地端子板直接連接。連接示意圖如圖1 -1所示。

圖 1 -1電涌保護器連接導線示意圖
2、帶有接線端子的電源線路浪涌保護器應采用壓接;帶有接線柱的浪涌保護器宜采用接線端子與接線柱連接。
3、浪涌保護器的連接導線最小截面積宜符合表1的規定。

表1 浪涌保護器連接導線最小截面積
注:組合型SPD參照相應級數的截面積選擇。
二、天饋線路浪涌保護器的安裝應符合下列規定:
1、天饋線路浪涌保護器應安裝在天饋線與被保護設備之間,宜安裝在機房內設備附近或機架上,也可以直接安裝在設備視頻端口上;
2、天饋線路浪涌保護器的接地端應采用截面積不小于6mm2的銅芯導線就近連接到LPZ0A或 LPZ0B與 LPZ1交界處的等電位接地端子板上,接地線應短直。
三、信號線路浪涌保護器的安裝應符合下列規定:
1、信號線路浪涌保護器應連接在被保護設備的信號端口上。浪涌保護器可以安裝在機柜內,也可以固定在設備機架或附近的支撐物上。
2、信號線路浪涌保護器的接地端應采用截面積不小于1.5mm2的銅芯導線與設備機房等電位連接網絡連接,接地線應短直。
對于浪涌保護器怎么安裝的大致規定和接線就講到這里了,正確安裝浪涌保護器是非常重要的,需要考慮在不同的應用場景下,想知道浪涌保護器的詳細安裝,易造為你解惑,歡迎來電咨詢。

-End-
易造防雷浪涌保護器的主要優勢:
易造復合型防雷電源SPD專用浪涌保護器,20年設計壽命,一體式組合低壓電源防雷器小體積大通流,低殘壓、高TOV耐受1800V;MG串聯技術,0漏流0續流;密封結構無外泄電弧,不起火。
易造三相、單相、混合型防雷浪涌模塊采用鏈式放電技術,實現了防雷SPD的能量自動協調功能,安裝時無需考慮兩級電源交流SPD間的距離,t1、一類、一級SPD防雷器可以直接安裝于t2、ii、二級防雷浪涌保護器后端,安裝更快捷!
易造國產優質浪涌保護器品牌廠家,外殼采用PA66高阻燃絕緣防護材料,符合UL94V-0 RoHS REACH認證,一體式復合型組合設計防震防潮耐高溫,易造低壓防雷電源專用防雷器、交流雷電雷擊電涌SPD模塊等浪涌保護器廣泛應用于家用、配電箱、配電柜、消防、光伏、通訊、設備、系統、機房、電網、加油站、變電所、工廠、小區、電梯、控制柜、工業、新能源、通訊、建筑、軌道交通、石油石化等多個領域。
杭州易造是國家高新技術企業、杭州市“雛鷹計劃”企業,通過了ISO9001、ISO14001、ISO45001、3C等質量管理體系認證,國內專業電源防雷設備生產廠家,擁有全套風電浪涌保護器生產制作技術。主要生產一體式、復合型、單相、三相、兩相、直流、混合型等款式,提供不同配電系統對一級浪涌保護器、二級浪涌保護器的1PN、2P、3P、3PN、4P等全系列電源防雷模塊,SPD通過了UL、CSA、TUV、CQC、CE等權威認證,1500+規格型號可選擇,滿足所有低壓設備的電涌防護要求。

相關文章:
14. 浪涌保護器漏電流是越小越好嗎? 0漏電流的SPD有嗎?
18. 浪涌保護器安裝時需要注意的一個距離-這個點一定要注意
20. 浪涌保護器接線圖—專業防雷解答
25. ul1449認證的浪涌保護器-主回路脫扣裝置防雷更穩定
此文關鍵詞: 浪涌保護器怎么安裝-點擊查看節省2小時時間-易造防雷
聯系易造
聯系易造
CONTACT EYZAO
咨詢熱線:133-8651-1449
固定電話:0571-89721333
公司郵箱: eyzao@eyzao.com
營銷中心:浙江省杭州市蕭山區錢江世紀城寧一路9號
我要留言
LEAVE A MESSAGE
推薦產品
產品資訊MORE
2022.09.07
2022.11.14
2023.09.07
2022.06.02
2022.02.19
油庫雷電預警系統,保障油庫安全,有效避免雷電災害-易造防雷…
2023.08.16
B級浪涌保護器和B+C浪涌保護器的區別-選型必看手冊-易造防雷…
2023.04.06
2022.07.20
什么樣的浪涌后備保護器才能真正起到保護作用?點擊查看詳情-易造防雷…
2023.06.30
2022.11.24
用戶評論
我要評論



